Acest website foloseste cookie-uri pentru facilitarea accesului si livrarea multiplelor functionalitati. Daca veti continua sa navigati, vom considera ca ati acceptat folosirea acestora.
X

Puteti compara maxim 4 produse! Primul produs adaugat in lista a fost sters.

Produse
Produse

Set 2 bucati intinzator cablu ochi - carlig DIN 1480 M10, 09521135 UNIQ, Mikalor

Cod intern : WFCTGA10S
Descriere

Set 2 bucati intinzator cablu ochi - carlig DIN 1480 M10, 09521135 UNIQ

Producator Damesa Spania. Brand UNIQ, Mikalor. Distribuitor autorizat Romania, Intersection Srl.

Întinzătorul de cablu ochi–cârlig DIN 1480 M10 UNIQ este proiectat pentru reglarea precisă a tensiunii în cabluri metalice, fiind ideal în aplicații de fixare, susținere și ancorare;

🔹 Specificații tehnice:

  • Tip: întinzător cablu ochi–cârlig;

  • Standard: DIN 1480;

  • Material: oțel galvanizat, protejat anticoroziv;

  • Execuție: turnat conform standardului german DIN1480;

  • Filetare: tije filetate pe stânga și pe dreapta pentru tensionare simultană;

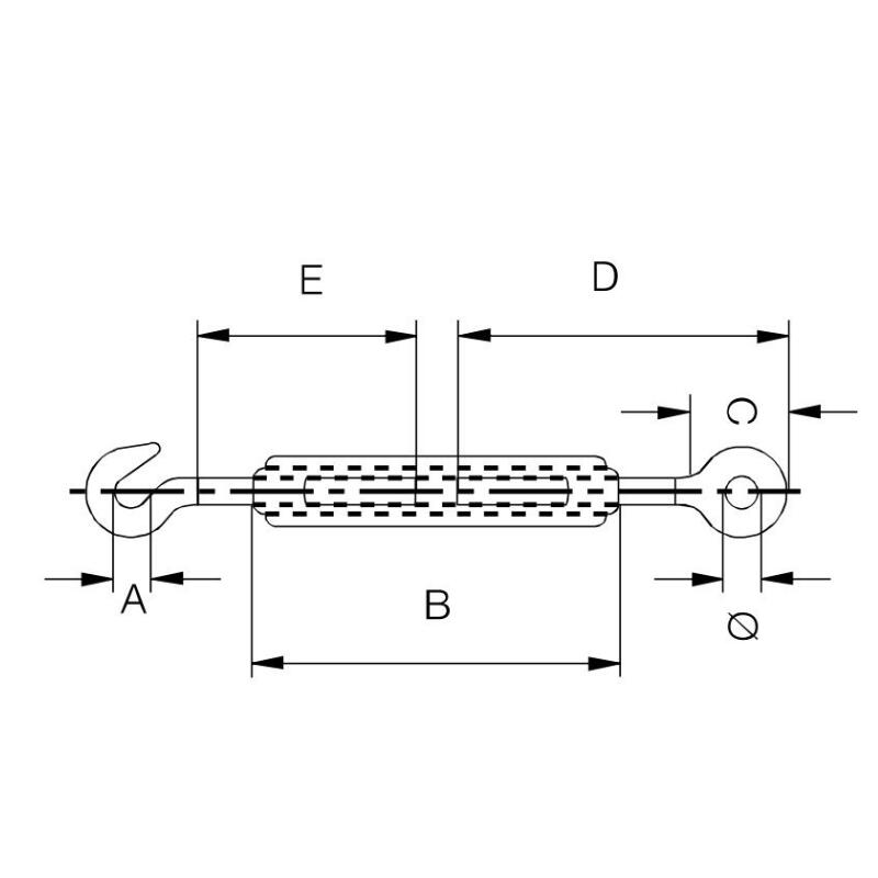
  • Dimensiuni:

    • A = 13 mm;

    • B = 125 mm;

    • C = 31 mm;

    • D = 105 mm;

    • E = 68 mm.

🔹 Avantaje și beneficii pentru tine:

  • Permite reglarea rapidă și precisă a tensiunii cablurilor;

  • Construcție solidă din oțel galvanizat pentru rezistență sporită;

  • Asamblare ușoară datorită filetării duble;

  • Ideal pentru aplicații de ancorare, susținere și fixare structurală;

  • Durabilitate crescută în condiții de exterior.

Specificatii
Lungime: 70 mm
Tip produs: Intinzator lant
Utilizat pentru: Uz general
Material: Metal
Greutatea maxima suportata
Greutatea maxima suportata 0 t
Tip
Tip Mecanic
Tip vehicul
Tip vehicul Autovehicul
Comentarii produs
Nu sunt comentarii
Scrie un comentariu
Livrare in Easybox pentru produsele eligibile
Contact
Depozit:
Calea Buziasului nr 35/A, 300699, Timisoara, Romania

Departament vanzari:
Comenzi: 0730009911, 0730009600, 0256-22.51.37
email: comenzi@intersection.com.ro
Luni-Vineri: 08.30 - 17.00
înregistrează-te

Înscrieți-vă la newsletter-ul nostru.

Pentru a vă transmite prin email informații cu privire la noile produse si serviciile noastre vă rugăm să completați câmpurile de mai jos:

powered by teamshare
© Copyright 2026 Intersection
designed by headstart.ro
Nou
Friteuza electrica, airfryer pentru camion, 3L, 24V, 250W, neagra, AKC124
Cod intern AETFPFRY
Stoc in depozitul nostru: DA
Preț 473,19 Lei
Stoc in depozitul nostru: DA
Nou
Lanțuri zăpadă KN80,  13"–17”, ONORM V 5117, 12 mm, Automax 6544
Cod intern SWL08
Stoc in depozitul nostru: Minim
Preț 150,86 Lei
Stoc in depozitul nostru: Minim